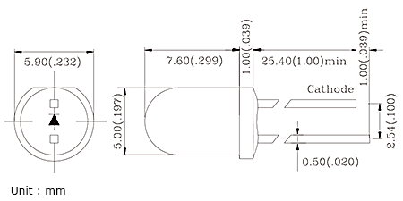
L-51XXIR1X – 5.0mm Infrared Emitting Diode

L-51XXIR1X - 5.0mm Infrared Emitting Diode


• Absolute Maximum Rating : (Ta=25°C) •
Part No. PD(mw) VR(V) Topr Tstg
L-51XXIR1XX 180 5 -35°C to 85°C -35°C to 85°C
PARAMETER Power Dissipation Reverse Voltage Operating Temperature Range Storage Temperature Range
Lead Soldering Temperature{1.6mm(0.063 inch) From Body}250°C ± 5°C for 3 Seconds
• Electro-Optical Characteristics : (Ta=25°C) •
Test Condition IF=20mA
IF=100mA
VR=5V IF=20mA IF=20mA IF=20mA Data Sheet
Part No. VF(V) IR (µA ) λp(nm) 2θ 1/2 (dge) le(mw/sr)
Typ. Max. Max. Typ. Typ. Typ.
L-514EIR1C 1.2
1.5
1.8 10 940 20 28
L-517EIR1C 1.2
1.4
1.6 10 940 35 30
L-519EIR1C 1.2
1.4
1.6 10 940 45 15
L-51CEIR1C 1.2
1.4
1.6 10 940 60 8
L-514EIR1BC 1.3
1.5
1.8 10 940 20 30
L-517EIR1BC 1.2
1.4
1.6 10 940 35 30
L-518EIR1BC 1.3
1.5
1.8 10 940 40 18

Go to Top

Comments are closed.